copy of Grifo electrónico de pared EXTREME WS

detección oculta

RES-904
395,00 € Sin IVA

Grifo electrónico de pared mural de lavabo, para agua fría o prado-mezclada, con detección de infrarrojos integrada en el extremo del caño, para una estética más limpia y refinada.

  • Otras ventaja es la detección más rápida y eficaz.
  • El grifo está diseñado para una instalación y un mantenimiento sencillos.
  • Los grifos electrónicos ahorran agua, ahorran energía y optimizan la higiene sanitaria.

Robinet infrarouge automatique ExtremGrifo automática de infrarrojos Extreme WS con detección ocultae WS détection dissimulée

- Detección de infrarrojos autoajustable. Parámetros ajustables por control remoto
  (tiempo de detección, tiempo de flujo, aclarados periódicos, parada temporal ...).

- Funciona con batería de 9 V o transformador de 230 / 9V.

- En la red, posibilidad de utilizar una batería de respaldo para el funcionamiento normal en caso de corte de energía.

- Bajo consumo de energía, duración de la batería aprox. 3 años.

- Luz indicadora de batería baja para reemplazo.

OPCIONES:

 

dimensions-RES-901   dimensions-RES-911
Detección
Infrarrojo auto-ajuste integrado en extremo del caño
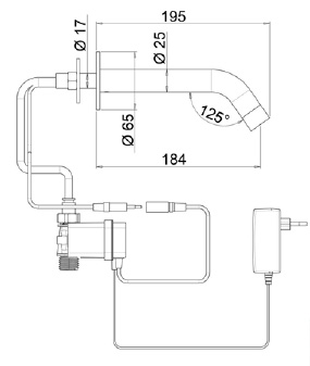
Longitud de caño
195 mm
Alimentación eléctrica
Pila de 9V
Transformador 230/9V
Enjuague periódico anti-legionela
Después de 24 H sin uso
Parada de seguridad
Después de 90 segundos de uso continuo (ajustables)
Electroválvula
Externa M1/2'' con filtro. Incluido ubicación pila de respaldo para versión a red, en caso de apagón
Composición
Latón cromado
Suministro de agua
Monofluido: agua fría o premezclada (mezcla previa)
Presión
0.3 - 8 bar
Temperatura máx. admisible
70°C
Caudal
4 L/min. (a petición 1,9 L/min.)
Parámetros de funcionamiento
Ajustables por control remoto RES-31: longitud de detección, tiempo de drenaje, enjuague periódico, parada temporal...
Garantía
3 años. CE. ACS.

Grifo electrónico de pared mural de lavabo, para agua fría o prado-mezclada, con detección de infrarrojos integrada en el extremo del caño, para una estética más limpia y refinada.

  • Otras ventaja es la detección más rápida y eficaz.
  • El grifo está diseñado para una instalación y un mantenimiento sencillos.
  • Los grifos electrónicos ahorran agua, ahorran energía y optimizan la higiene sanitaria.

Robinet infrarouge automatique ExtremGrifo automática de infrarrojos Extreme WS con detección ocultae WS détection dissimulée

- Detección de infrarrojos autoajustable. Parámetros ajustables por control remoto
  (tiempo de detección, tiempo de flujo, aclarados periódicos, parada temporal ...).

- Funciona con batería de 9 V o transformador de 230 / 9V.

- En la red, posibilidad de utilizar una batería de respaldo para el funcionamiento normal en caso de corte de energía.

- Bajo consumo de energía, duración de la batería aprox. 3 años.

- Luz indicadora de batería baja para reemplazo.

OPCIONES:

 

dimensions-RES-901   dimensions-RES-911

Detección
Infrarrojo auto-ajuste integrado en extremo del caño
Longitud de caño
195 mm
Alimentación eléctrica
Pila de 9V
Transformador 230/9V
Enjuague periódico anti-legionela
Después de 24 H sin uso
Parada de seguridad
Después de 90 segundos de uso continuo (ajustables)
Electroválvula
Externa M1/2'' con filtro. Incluido ubicación pila de respaldo para versión a red, en caso de apagón
Composición
Latón cromado
Suministro de agua
Monofluido: agua fría o premezclada (mezcla previa)
Presión
0.3 - 8 bar
Temperatura máx. admisible
70°C
Caudal
4 L/min. (a petición 1,9 L/min.)
Parámetros de funcionamiento
Ajustables por control remoto RES-31: longitud de detección, tiempo de drenaje, enjuague periódico, parada temporal...
Garantía
3 años. CE. ACS.

Cargando...